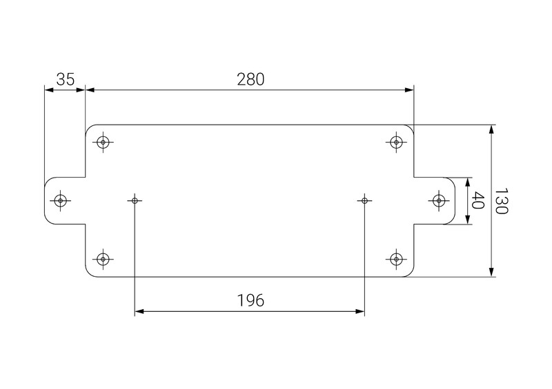
Mekaaninen lisätarvike
GE-PP Seinäkiinnike
Tuotteen kuvaus
Seinäkiinnike GENNIUS turva- ja opastevalaisimelle
| TEKNISET TIEDOT |
|---|


